| Розничная цена | |
| 917.06 р. | |
| Оптовая цена | |
| По запросу | |
| Цены указаны за 1 шт с учётом НДС 20% |
шт
Последнее обновление 27.11.2024 в 10:45
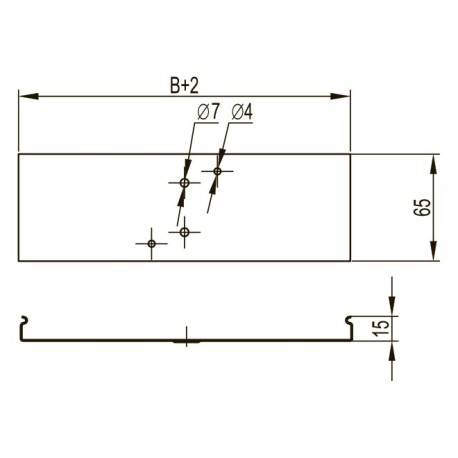
Назначение:
Накладка соединительная CGC предназначена для соединения неровно отрезанных крышек лотков, а также для дополнительного усиления мест стыка крышек. Совместима с лотками любой высоты и шириной 400 мм.
Особенности:
- Простой монтаж: Накладка крепится к крышкам лотков с помощью винтов М6х10 и гаек М6 с насечкой.
- Цинк-ламельное покрытие: Накладки в специальном исполнении "Цинк-ламель" имеют специальное покрытие из химически активной магниевой смолы с добавлением хлопьев цинка и алюминия, обеспечивающее электрохимическую и барьерную защиту от коррозии. Показатели коррозионной стойкости цинк-ламельного покрытия ДКС аналогичны показателям горячеоцинкованного покрытия.
Каталоги по теме:
Типовые решения:
- Альбом типовых решений прокладки кабеленесущих трасс. Издание 3
- Решения для супермаркета
- Индустриальные решения от ДКС
- Светотехнические решения от ДКС и "Световых технологий" "Энергоэффективность. Офисно-административные объекты"
- Складские решения от ДКС
- Типовой альбом DKC-2018.COMBITECH "Опорные конструкции, узлы монтажа лотков и аксессуары"
Сертификаты для скачивания:
- Отказное письмо по СЭЗ на листовые лотки
- Cертификат пожарной безопасности по группе E90 согласно немецкому стандарту DIN 4102–12:1998–11
- Протокол испытаний кабельных лотков на стойкость к климатическим воздействиям
- "S5 Combitech"_Сертификат соответствия на огнестойкость кабельной линии в составе кабеля КМЖ и металлических лотков
- Сертификат соответствия требованиям пожарной безопасности на кабельную линию с пределом огнестойкости не менее 90 минут
- Свидетельство российского морского регистра на листовые лотки "S5 Combitech"
- Все типы кабельных лотков, коробов, корпусов сварных и сборных - Свидетельство российского морского регистра
- Сертификат соответствия на сейсмостойкость на систему листовых кабельных лотков "S5 Combitech" с использованием метизов "M5 Combitech"
- Сертификат соответствия ГОСТ Р 53316-2009 на огнестойкие кабельные линии ДКС, "Электрокабель. Кольчугинский завод" и "Завод "Энергокабель"
- Сертификат соответствия ГОСТ Р 53316-2009 на огнестойкие кабельные линии ДКС, "СПКБ Техно"
- Сертификат соответствия ГОСТ Р 53316-2009 на огнестойкие кабельные линии ДКС, "Рыбинсккабель" по ТРМ 0004-2014 до 02.04.2022 г.
- Сертификат соответствия ГОСТ Р 53316-2009 на огнестойкие кабельные линии ДКС, ООО "Угличкабель" по ТРМ 0017-2017 до 26.12.2022 г. (15, 30, 45, 90 минут)
- Сертификат соответствия ГОСТ Р 53316-2009 на огнестойкие кабельные линии ДКС, ООО "Угличкабель" по ТРМ 0017-2017 до 26.12.2022 г. (15, 30, 60, 90 минут)
- Сертификат соответствия ГОСТ Р 53316-2009 на огнестойкие кабельные линии ДКС, ОАО "Электрокабель. Кольчугинский завод" по ТРМ 0005-2018
- Сертификат соответствия ГОСТ Р 53316-2009 на огнестойкие кабельные линии ДКС, "Конкорд" по ТРМ 0016-2017
- Сертификат соответствия ГОСТ Р 53316-2009 на огнестойкие кабельные линии ДКС, "Севкабель", "Спецкабель" по ТРМ 0015-2017
- Сертификат соответствия ГОСТ Р 53316-2009 на огнестойкие кабельные линии ДКС, "Энергокабель", "Электрокабель. Кольчугинский завод" по ТРМ 0015-2017
- Сертификат соответствия ГОСТ Р 53316-2009 на огнестойкие кабельные линии ДКС, "Технокабель" по ТРМ 0010-2015
- Сертификат соответствия ФЗ-123 на огнестойкие кабельные линии ДКС, "Эксперт-Кабель"
- Сертификат соответствия ГОСТ Р 53316-2009 на огнестойкие кабельные линии для систем противопожарной защиты типа "Людиновокабель - ДКС"
- Сертификат соответствия ГОСТ 30247.0-94, ТРМ 0001-2012 на конструкции огнестойкие кабеленесущие (предел огнестойкости 90 минут, R90)
- Сертификат соответствия требованиям пожарной безопасности по ГОСТ Р 53316-2009 на огнестойкую кабельную линию DKC, ООО Кабельный завод "АЛЮР", ООО "РЭК"
- Сертификат соответствия ГОСТ Р 53316-2009 на огнестойкие кабельные линии ДКС, "Паритет"
- Сертификат пожарной безопасности на проходки кабельные огнестойкие (IET 150 по ГОСТ Р 53310-2009)
Характеристики
| Общая информация | |
| Серия | Листовые лотки - S5 Combitech |
| Срок изготовления, дни | 89 |
| Страна происхождения | Италия |
| Тип ассортимента | складской |
| Штрихкод | 4690309550601; 4690309551585 |
| Технические характеристики | |
| Вертикал.-поворотный/шарнирный | Да |
| Вид/марка материала | Сталь |
| Горизонт.-поворотный/шарнирный | Да |
| Длина, мм | 400 |
| Защитное покрытие поверхности | Цинк-ламельное покрытие |
| Материал / Состав | Сталь |
| Модель / исполнение | Соединительная накладка на стык основания лотка |
| Нержавеющая сталь травлёная | Да |
| Подходит для (листового) кабельного лотка | Да |
| Подходит для лестничного лотка | Да |
| Подходит для лотка высотой, мм | 100 |
| Подходит для лотка шириной, мм | 400 |
| Подходит для обеспеч. целостности цепи (огнестойкость) | Да |
| Подходит для проволочного лотка | Да |
| Тип соединения | Винтовой разъем |
| Цвет | Светло-серый |
| Упаковка | |
| Мастер | 80 шт |
| Штука | 1 шт |
| Габаритные размеры | |
| Вес | 0,17 кг = 1 шт |
| Объем | 0,00039 м³ = 1 шт |
