| Розничная цена | |
| 1 106.96 р. | |
| Оптовая цена | |
| По запросу | |
| Цены указаны за 1 шт с учётом НДС 20% |
шт
Последнее обновление 27.11.2024 в 11:43
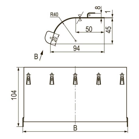
Назначение:
Ограничитель радиуса изгиба кабеля предназначен для защиты кабелей от повреждений во время их прокладки. Данный ограничитель устанавливается в лоток шириной 300мм, сглаживая слишком резкие повороты и острые углы, обеспечивает плавный и безопасный изгиб групп кабелей при их переходе по высоте или при опуске к оборудованию.
Особенности:
- Быстрый монтаж: Безвинтовое крепление к основанию лотка за счет применения элементов быстрой фиксации позволяет сократить время монтажа.
- Конструкция: Радиус поворота ограничителя = 40мм, позволяет избежать перегибов и повреждений кабеля.
- Цинковое покрытие: Ограничители изготовлены из листовой стали, покрытой перед формовкой защитным слоем цинка для предотвращения коррозии.
Каталоги по теме:
Типовые решения:
- Альбом типовых решений прокладки кабеленесущих трасс. Издание 3
- Решения для супермаркета
- Светотехнические решения от ДКС и "Световых технологий" "Энергоэффективность. Офисно-административные объекты"
- Офисные решения от ДКС
- Типовой альбом DKC-2018.COMBITECH "Опорные конструкции, узлы монтажа лотков и аксессуары"
Сертификаты для скачивания:
- Экспертное заключение для проволочных лотков "F5 Combitech"
- Свидетельство российского морского регистра на проволочные лотки "F5 Combitech"
- Все типы кабельных лотков, коробов, корпусов сварных и сборных - Свидетельство российского морского регистра
- Сертификат соответствия на проволочные лотки "F5 Combitech"
- Сертификат соответствия на сейсмостойкость на систему проволочных лотков для больших нагрузок "F5 Combitech" с использованием метизов "M5 Combitech"
- Сертификат соответствия ГОСТ Р 53316-2009 на огнестойкие кабельные линии ДКС, "Рыбинсккабель" по ТРМ 0004-2014 до 02.04.2022 г.
- Сертификат соответствия ГОСТ Р 53316-2009 на огнестойкие кабельные линии ДКС, ООО "Угличкабель" по ТРМ 0017-2017 до 26.12.2022 г. (15, 30, 45, 90 минут)
- Сертификат соответствия ГОСТ Р 53316-2009 на огнестойкие кабельные линии ДКС, ООО "Угличкабель" по ТРМ 0017-2017 до 26.12.2022 г. (15, 30, 60, 90 минут)
- Сертификат соответствия ГОСТ Р 53316-2009 на огнестойкие кабельные линии ДКС, ОАО "Электрокабель. Кольчугинский завод" по ТРМ 0005-2018
- Сертификат соответствия ГОСТ Р 53316-2009 на огнестойкие кабельные линии ДКС, "Конкорд" по ТРМ 0016-2017
- Сертификат соответствия ГОСТ Р 53316-2009 на огнестойкие кабельные линии ДКС, "Севкабель", "Спецкабель" по ТРМ 0015-2017
- Сертификат соответствия ГОСТ Р 53316-2009 на огнестойкие кабельные линии ДКС, "Технокабель" по ТРМ 0010-2015
- Сертификат соответствия ФЗ-123 на огнестойкие кабельные линии ДКС, "Эксперт-Кабель"
- Сертификат соответствия ГОСТ Р 53316-2009 на огнестойкие кабельные линии для систем противопожарной защиты типа "Людиновокабель - ДКС"
- Сертификат соответствия ГОСТ 30247.0-94, ТРМ 0001-2012 на конструкции огнестойкие кабеленесущие (предел огнестойкости 90 минут, R90)
- Сертификат соответствия ГОСТ Р 53316-2009 на огнестойкие кабельные линии ДКС, "Паритет"
Характеристики
| Общая информация | |
| Серия | Проволочные лотки - F5 Combitech |
| Срок изготовления, дни | 38 |
| Страна происхождения | Россия |
| Тип ассортимента | складской |
| Штрихкод | 4690309532669 |
| Технические характеристики | |
| Вид/марка материала | Сталь |
| Защитное покрытие поверхности | Непрерывное холодное цинкование |
| Исполнение для больших расстояний (усиленный) | Нет |
| Материал / Состав | Сталь |
| Нержавеющая сталь травлёная | Нет |
| Цвет | Светло-серый |
| Ширина лестничного лотка, мм | 300 |
| Упаковка | |
| Штука | 1 шт |
| Габаритные размеры | |
| Вес | 0,25 кг = 1 шт |
| Объем | 0,00067 м³ = 1 шт |
| Наименование товара | Артикул | Цена | ||
|
Лоток проволочный 300х100, L=3000, ⌀5мм | FC1030 | 1 329.24 р. | |
|
Лоток проволочный 300х30, L=3000, ⌀4мм | FC3030 | 745.81 р. | |
|
Лоток проволочный 300х50, L=3000, ⌀5мм | FC5030 | 1 041.59 р. | |
|
Лоток проволочный 300х80, L=3000, ⌀5мм | FC8030 | 1 303.32 р. |
